? 400-1399-168
为先进制造提供最有价值的解决方案
主页 > 新闻资讯 > 库维动态
自动化机器人 KRC4 低压电源件的作用及工作原理
发布日期:2022-07-20 09:52 ????浏览量:
工业机器人KRC 4低压电源件用于对下列组件进行供电:
 
1 机器人电机制动装置
 
2 外围设备
 
3 机器人控制系统电脑
 
4 KSP's
 
5 KPP
 
6 蓄电池
 
7 控制柜风扇
 
8 RDC
 
9 smartPAD
 
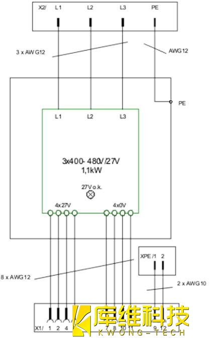
机器人电源件连接 3x400V AC 市电,
 
然后提供 40A 的 27V DV 输出电压
 
工业机器人 27V 电源件如下图
 
一个绿色 LED (输出电压 = 正常)显示工业机器人低压电源件的工作状态。
 
工业机器人KRC 4 低压电源件的原理电路图
 
工业机器人KRC 4 27V 电源件的原理性接线图如下
 
 
工业机器人控制系统电脑安全提示
 
1 机器人控制系统必须保持关机状态,并采取保护措施以防意外重启。
 
2 控制系统已关闭。
 
3 电源线必须已断电。
 
警告:即使在主开关关断时,白色导线也带有电源电压! 在接触导线时此电源电压可造成致命伤害。
 
4 按 ESD 准则进行作业。

相关文章
常见的工业机器人主要有哪几个种类?
常见的工业机器人主要有哪几个种类?
机器人厂家如何助力企业提升竞争力与盈利能力
机器人厂家如何助力企业提升竞争力与盈利能力
探秘优秀工业机器人制造商选择秘籍:必备指南与实用建议
探秘优秀工业机器人制造商选择秘籍:必备指南与实用建议
掌握最新自动化生产线技术,轻松提高生产效能!
掌握最新自动化生产线技术,轻松提高生产效能!
切割机器人的五大应用领域及精选案例解读
切割机器人的五大应用领域及精选案例解读
机械臂+LED显示屏舞台工程案例分析
机械臂+LED显示屏舞台工程案例分析
工业机器人自动化:推动生产领域革新
工业机器人自动化:推动生产领域革新
自动化生产线工业机器人线束连接注意事项
自动化生产线工业机器人线束连接注意事项
自动化工业机器人控制设备安装环境说明
自动化工业机器人控制设备安装环境说明
粤ICP备18155877号-1